设为首页
|
加入收藏
|
返回首页
首 页
关于我们
企业荣誉
产品展示
新闻资讯
工程案例
售后服务
人才招聘
信息反馈
联系我们
产品分类
高压离心通风机
XQI、XQII型斜槽高压离心通风机
9-28-I高压离心通风机
9-19、9-26型高压离心通风机
8-09.9-12高压离心通风机
除尘、防爆、防腐、化铁炉离心通风机
B4-72型防爆离心通风机
F4-72型防腐离心通风机
9-11型化铁炉专用高压节能离心通风机
离心通风机
YX9-35型锅炉离心引风机
G6-41,Y6-41系列通、引风机
Y5-48型锅炉离心引风机
Y5-47型锅炉离心引风机
G4-73、Y4-73锅炉离心通、引风机
G4-68、Y4-68型离心通、引风机
4-79离心通风机
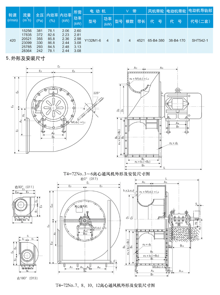
T4-72离心通风机
4-68型离心通风机
Y8-39、Y9-38型锅炉引风机
轴流通风机
GD30K2-12型轴流风机
DT-12、BDT40-12型屋顶轴流通风机
BT35-11型轴流通风机
BT30型轴流通风机
T40型轴流通风机
T35-11型轴流通风机
T30型轴流通风机
排尘离心通风机
C6-48排尘离心通风机
C4-73型排尘离心通风机
煤粉通风机
M7-29型煤粉通风机
M6-31,M7-16型煤粉通风机
高温风机
BB24、BB50系列窑尾高温风机
窑炉用高温风机
W5高温风机
W4高温风机
混(斜)流通风机
SJG系列斜流风机
SWF-1/II型混流式通风机
X45.25型混流风机
煤气鼓风机
屋顶通风机
PCF系列篦冷机冷却风机
空调离心通风机
产品展示
T4-72离心通风机
已经是第一页了 已经是最后一页了
版权所有:
南通德惠风机有限公司
地址:南通市港闸开发区八一工业园区
电话:0513-85631980 传真:0513-85632060
备案号:苏ICP备11075481号-1